Beim Köpfen des Motors muss ich ja den Kabelbaum der Einspritzung zerlegen.
Dabei ist mir ein Stecker wohl abgerutscht, und ich weiß nicht wo er hin gehört.
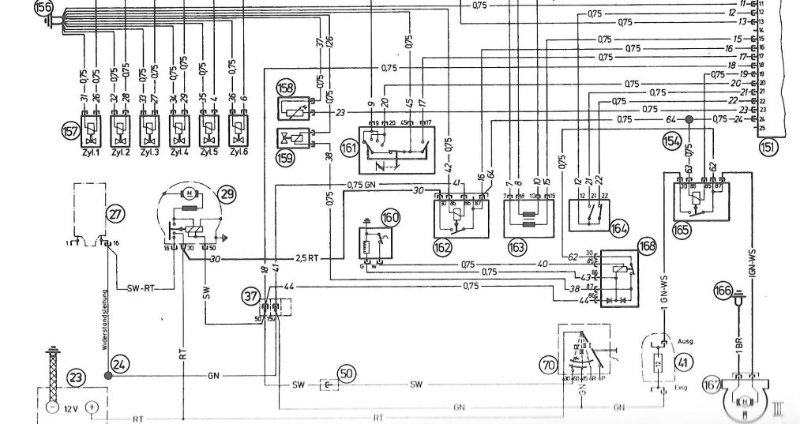
Er kommt in Höhe des dritten Zylinders aus dem Kabelbaum und geht durch eine Gummitülle an die linke Motorseite. Dort teilt sich das Kabel in zwei Leitungen.
Eine davon geht auf den Zusatzluftschieber. Die zweite Leitung ist mein Problem:
In der Zeichnung ist das Kabel ganz oben und mit X gekennzeichnet.
die Z Kabel sind die Einspritzdüsen. Der Rest ist bezeichnet:

und:
wohin geht das Kabel des Temperatursensors für die Anzeige im Kombiinstrument? Der Fühler sitzt an der Schottwandseite ganz in der Ecke auf der Zylinderkopfhaube. (erstes Bild)
Ich habe ein Kabel in Verdacht: Vor dem Druckfühler kommen drei Kabel, die über eine „Transparente“ Klammer gehalten sind. Original so?? Wenn ich links an dem Wagen stehe, geht es um das ganz rechte Kabel. Es kommt ein Doppelkabel und eine Masseleitung raus?? Wofür ist diese Leitung?
(möglicherweise Anlasser, vielleicht halt Temp. Fühler, vielleicht irgendwas mit dem Hauptrelais, vielleicht …?)
(zweites Bild)
Michael


