Unterdruckdose am Verteiler defekt?

Antwort erstellen


Diese Frage dient dazu, das automatisierte Versenden von Formularen durch Spam-Bots zu verhindern.

BBCode ist eingeschaltet
[img] ist eingeschaltet
[url] ist eingeschaltet
Smileys sind ausgeschaltet

Die letzten Beiträge des Themas
   

Ansicht erweitern Die letzten Beiträge des Themas: Unterdruckdose am Verteiler defekt?

Re: Unterdruckdose am Verteiler defekt?

von awohlmann » So 15. Jan 2023, 21:35

Hallo Tom,
danke für die Info.
Werde mir diese "Bibel" besorgen.
Grüße Alfred

Re: Unterdruckdose am Verteiler defekt?

von e3tom » Sa 14. Jan 2023, 00:27

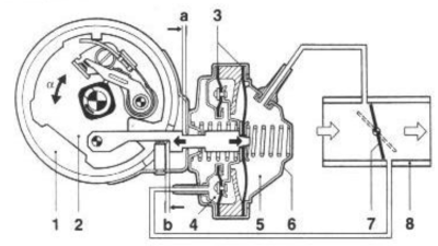
awohlmann hat geschrieben: Fr 13. Jan 2023, 15:28 Konkret geht es um die Nr. 3, 4, 7, 8 und b.
Servus Alfred,

das ist aus der blauen Bosch 'Bibel' entnommen, deren Anschaffung ich grundsätzlich nur empfehlen kann ...
Meine ist von 2004 (22. Aufl.).
ISBN 3-8289-5388-3

Hier die Legende. Die Präsentation dieser beiden 'Zitate' sollte durch §51 UrhG gedeckt sein ...

Peter,

Man kann auch auf eine Einfachdose umbauen, wenn die günstiger zu bekommen ist. Man muss dann nur die Leerlaufeinstellung der Vergaser anpassen.
Wenn dein Verteiler aber schon über 300'km drauf hat, würde ich mir auch eine 123 überlegen.

Gruss
Tom
Dateianhänge
Zuenverstellung_Legende.png
Zuenverstellung_Legende.png (31.77 KiB) 3710 mal betrachtet

Re: Unterdruckdose am Verteiler defekt?

von Peter LA » Fr 13. Jan 2023, 22:49

Hallo Tom,
vielen Dank für deine Hinweise.
In der Dose scheppert nix, aber wahrscheinlich ist die Feder der Spätverstellung gebrochen. Das erklärt, dass die Schubstange so weit raussteht und sich bei Unterdruck auf dem Spätanschluss nichts tut.
Eine neue Dose kostet mich auch fast 100 Euro, das Schraubenrad ist auch schon etwas eingelaufen (nach über 300Tkm 😀) und schlägt auch noch mal mit 50€ zu Buche - da stellt sich die Frage ob man nicht gleich auf eine 123Ignition umrüstet.
Viele Grüße.
Peter

Re: Unterdruckdose am Verteiler defekt?

von awohlmann » Fr 13. Jan 2023, 15:28

Hallo Tom,
ich melde mich hier auch, obwohl ich kein Problem mit dem Verteiler habe.

Danke für die Zeichnung, aber hast du dazu auch eine Detail-Beschreibung der darin angeführten Nummern ?
Grundsätzlich (so oberflächlich) verstehe ich die Zeichnung, ich würde aber gerne auch die Details und damit die Arbeitsweise verstehen.
Ich nutze das Forum auch als Lernhilfe
Konkret geht es um die Nr. 3, 4, 7, 8 und b.
Also wenn es dazu noch eine Beschreibung gäbe, wäre das toll.
Danke Alfred

Re: Unterdruckdose am Verteiler defekt?

von e3tom » Fr 13. Jan 2023, 02:28

Hallo Peter,

wenn man sich den Schnitt durch die Doppeldose ansieht, scheint es, dass die Rückstellfeder für die Spät-Seite vielleicht gebrochen (oder verrostet) ist. Kann z.B. passieren, wenn der Verteiler mal falsch eingebaut wurde (mit der Dose nach unten und dem Zündkondensator nach oben), dann kann da Wasser reinlaufen und kommt nicht mehr raus.
3.5mm Hub für früh scheint mir etwas viel. Früh und spät sollten je ca. 2mm (ca. 8°KW) sein. Die Spätverstellung ist durch die dickere Rückstellfeder der Frühverstellung untergeordnet, d.h. wenn an beiden derselbe Unterdruck anliegt, geht es dennoch nach 'früh', Spätverstellung erfolgt also nur bei geschlossener DK (LL und Schiebebetrieb).
Einen 'Spät-Anschlag' hat die Grundplatte aber nicht wirklich.
Wenn Du die Stange reindrückst, sollte auf ca. halbem Weg der 'Früh-Anschlag' des Spätverstellungsteils spürbar sein.
Klappert in der Dose was, wenn Du sie schüttelst ?

Quintessenz: ja, ich denke, die ist hin ...

Gruss
Tom
Dateianhänge
frueh_spaet-dose.png

Unterdruckdose am Verteiler defekt?

von Peter LA » Do 12. Jan 2023, 15:34

Liebe E9 Gemeinde,
ich habe den Verteiler Nr 0 231 162 002 JFUD 6 von meinem 3.0CS demontiert und zerlegt, da die Zündverstellung nicht mehr so tat, wie sie sollte.
Nun habe ich eine Frage zur Unterdruckdose, von der ich vermute, dass sie defekt ist.
Ich kann an dieser Dose keine Spätverstellung mehr feststellen, sowohl wenn ich Unterdruck an Spät anlege, als auch mit der Stange versuche zu ziehen, da diese, so wie es scheint, ziemlich am Anschlag steht.
Schubstange steht fast auf Anschlag
Schubstange steht fast auf Anschlag
.
Außerdem steht die Grundplatte in Grundstellung nahezu auf Spätanschlag.
Unterbrecherplatte steht in Grundstellung fast auf „Spät Anschlag"
Unterbrecherplatte steht in Grundstellung fast auf „Spät Anschlag"
.
Der Hub der Schubstange ist ca. 3,5mm und dieser wird ausgeführt, wenn Unterdruck auf Früh gegeben wird.
Ist meine Dose nun defekt?
Viele Grüße
Peter

Nach oben