Seite 1 von 1
Hinweis Lüfterflügel
Verfasst: So 11. Sep 2016, 08:57
von Tommy75
Hallo, vlt. wisst ihr das alles - aber bei der Suche nach einer neuen Lüfterkupplung (Reibekupplung) bin ich darauf gestoßen das mein Wagen einen falschen Lüfter verbaut hatte: "664" (ab 10/73) anstelle "660" (bis 10/73) ggf. macht die Position/Neigung der Flügel schon einiges beim Thema Kühlung aus... Gruß Thomas
Re: Hinweis Lüfterflügel
Verfasst: So 11. Sep 2016, 20:23
von Tommy75

- Lüfterflügel.jpg (70.23 KiB) 17654 mal betrachtet
Re: Hinweis Lüfterflügel
Verfasst: So 11. Sep 2016, 20:27
von Tommy75
Danke an Herr Friedrich Schumacher
Re: Hinweis Lüfterflügel
Verfasst: So 11. Sep 2016, 20:44
von Gerhard
Hallo Tommy
Der Unterschied ist, ob die Servolenkungspumpe von der Wasserpumpe oder von der Kurbelwelle angetrieben wird. Dementsprechend muss der Lüfterflügel eine andere Einpresstiefe haben, sonst würde er an der Riemenscheibe anstoßen.
Gruß Gerhard
Re: Hinweis Lüfterflügel
Verfasst: So 11. Sep 2016, 22:35
von Tommy75
ahsoooo - da ich klima habe ist das wieder alles speziell. Ich schaue mal nach wie mein riementrieb sein soll/wird. Danke + Gruß Thomas
Re: Hinweis Lüfterflügel
Verfasst: Mi 13. Mär 2019, 18:23
von Tommy75
Hallo, ist jemand in der Lage mir ein Detail-Foto einer (top) Kpl zu schicken damit ich sehen kann wie genau die Position der kleinen Flügel sein soll? Danke! Gruß Thomas
Re: Hinweis Lüfterflügel
Verfasst: Mi 13. Mär 2019, 18:35
von andilin
so?
Re: Hinweis Lüfterflügel
Verfasst: Mi 13. Mär 2019, 22:20
von Tommy75
fast :-)
Wenn ich noch einen Wunsch äussern dürfte wäre ein Foto seitlich (quasi in höhe der Flügel) hilfreich damit man sieht wie die Position / Biegung von z.b. 2 Flügeln gehört.
Besten Dank für den Aufwand!
Gruß Thomas
Re: Hinweis Lüfterflügel
Verfasst: Do 14. Mär 2019, 16:37
von andilin
Da muss ich leider passen, da die Bilder auch nur aus meinem Archiv sind.
Allerdings kann man das doch auf dem Bild sehen.
Im Uhrzeigersinn stehen die Flügel nach oben und gegen den Uhrzeigersinn nach unten. Und so bei jedem Flügel.
Re: Hinweis Lüfterflügel
Verfasst: Fr 15. Mär 2019, 22:34
von Tommy75
hallo,
die Frage ist wie sie zu stehen haben - meine 3d-Wahrnehmung lässt das zumindest nicht zu eine evtl. Biegung zu erkennen...
für mich ist es wichtig zu wissen wie die Flügel "im Raum" zu stehen haben da dadurch erst die Luft optimal zugeführt wird (meine Kupplung greift zu spät obwohl der Reibbelag noch gut ist & ich beim Zusammenbau unglücklicherweise irgendwie die Flügel in der Position verändert hatte)
bitte um Verständnis das ich mich gerne um techn details bemühe
z.B

- BMW_LuefterFluegel.jpg (89.75 KiB) 16377 mal betrachtet
Re: Hinweis Lüfterflügel
Verfasst: Sa 16. Mär 2019, 08:09
von willies13
Hallo,
wir hatten hier schon mal in die Richtung diskutiert:
viewtopic.php?f=2&t=27165#p33324
Vorschlag:
Bau doch die Einheit mal zusammen und leg sie in den Backofen.
---------------------------
- gemäß Werkstatthandbuch soll die Reibekupplung bei 55Grad greifen.
- Die thermische Funktionsprüfung geht natürlich nur, wenn man eine funktionsfähige Einheit bildet. Incl. Stift.
Siehe Zeichnung (nicht Bilder):
http://e9-driven.com/Public/Library/BMW ... l#refertoc
Wahrscheinlich braucht man auch kürzere Schrauben, um das Thermoelement ohne Kunststofflüfterrad auf der Reibekupplung zu montieren.
- In den referenzierten Bildern seht Ihr auch die Position der kleinen Flügel.
- Mein CS wurde im Warmlauf auch recht heiss, bevor sich die Temp.-anzeige wieder beruhigte. Ich spendierte die paar Euronen einen neuen Thermostat.
Seither ist an der Stelle ziemlich Ruhe.
----------------------------
Re: Hinweis Lüfterflügel
Verfasst: Sa 16. Mär 2019, 08:26
von Tommy75
Danke WIlly
ich schaue jetzt mal nach dem Abstand von 5mm (man kommt schlecht ran oder Kühler raus)
falls ich mich entschließe auszubauen versuche ich das auch mal mit dem Backofen :-)
Tendiere gerade mehr zur Umrüstung nach Visko-Kpl.
Thermostat 80° hatte ich bei der Motorreparatur erneuert
Gruß Thomas.
Re: Hinweis Lüfterflügel
Verfasst: Sa 16. Mär 2019, 14:14
von Gerhard
Tommy75 hat geschrieben:
die Frage ist wie sie zu stehen haben - meine 3d-Wahrnehmung lässt das zumindest nicht zu eine evtl. Biegung zu erkennen...
für mich ist es wichtig zu wissen wie die Flügel "im Raum" zu stehen haben da dadurch erst die Luft optimal zugeführt wird attachment=0]BMW_LuefterFluegel.jpg[/attachment]
Hallo Tommy
Die kleinen Flügel der Reibekupplung stehen genau so, wie die großen Flügel deines Lüfterrades.
Dein gelber Strich liegt also direkt am Lüfterflügel an. Die Ecke grün/blauer Strich steht am weitesten vom Lüfterflügel entfernt.
Wenn du bereits den dünnen Wasserkühler verbaut hast, würde ich prinzipiell, mangels Verfügbarkeit neuer Teile, auch immer auf Umbau mit Viscokupplung raten.
Viel Erfolg
Gerhard
Re: Hinweis Lüfterflügel
Verfasst: So 17. Mär 2019, 13:19
von Hubi
Nach ständigem Ärger mit der Reibekupplung, die den Flügel meist sehr spät / oder zu spät zuschaltet, habe ich zuerst schon vor 34 Jahren einen Elektro-Lüfter vor den Kühler des CSi gebaut, den ich per Schalter unter dem Radio anwerfen kann. Ist ausreichend, erfordert aber an der Ampel und im Stau den ständigen, prüfenden Blick auf die Anzeige der Wassertemperatur. Nun habe ich mich, nach Beratung durch Gerhard, auch entschlossen, im Mai den Visco-Lüfter einzubauen. Ich denke, das ist von allen Möglichkeiten die sinnvollste.
Re: Hinweis Lüfterflügel
Verfasst: So 17. Mär 2019, 18:00
von Tommy75
genau das ist wenn man dauernd auf die Anzeige schut... nervt ungemein!
Ich habe eine Klimaanlage verbaut - da wird die Installation eines zus. Elektrolüfters schier unmöglich da vor dem Kühler (vo. vorne betrachtet) schon ein Lüfter verbaut ist. Ich "nehme an" das dieser zur Klimaanlage gehört - 100% weis ich es nicht da der Wagen ursprünglich 72 mit einem Automatikgetriebe ausgestattet war. (Habe bislang aber auch keinen Zusatzschalter entdeckt mit dem man den Lüfter starten könnte)
Die Klimaanlage war bis auf ein paar Minuten, als ich den Wagen damals übernommen habe, aus da mir der Kompressor defekt gegangen ist...
@Gerhard, Ich habe einen breiten Kühler installiert... würde dann ca. mitte Mai auch ein komplett-Set Visco mit Kühler schmal abnehmen (und meinen Kühler dann anbieten da erst knapp 1,5 Jahre alt ist)
Gruß Thomas.

- IMG_8544.JPG (67.11 KiB) 16284 mal betrachtet
Re: Hinweis Lüfterflügel
Verfasst: So 17. Mär 2019, 20:23
von andilin
Wenn bei dir schon ein Zusatzlüfter montiert ist, kannst du den doch über einen Fühler im Thermostatgehäuse, oder auch an einigen Kühlern, ansteuern. Da muss man auch nicht ständig auf die Anzeige gucken.
Gruß
Andi
Re: Hinweis Lüfterflügel
Verfasst: So 17. Mär 2019, 21:54
von Tommy75
kann ich hwschl nicht da der Zusatzlüfter in Verbindung mit der Klimaanlage benötigt wird:
http://e9-driven.com/Public/Library/BMW ... l#refertoc
Re: Hinweis Lüfterflügel
Verfasst: So 17. Mär 2019, 22:48
von willies13
Ist das nicht der gleiche Lüfter wie ein von der Kühlwassertemperatuer gesteuerter Zusatzlüfter ?
Re: Hinweis Lüfterflügel
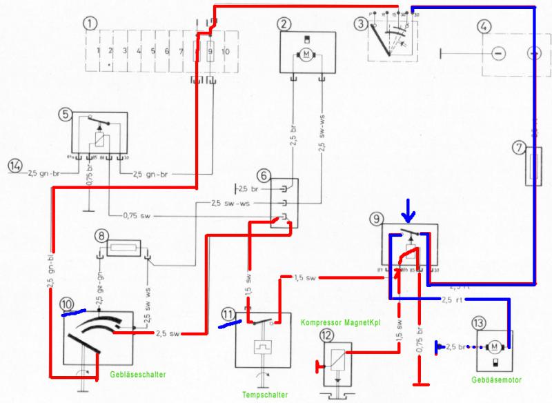
Verfasst: Di 19. Mär 2019, 21:54
von Tommy75
"vermute" ja - allerdings ist der installierte Lüfter bei mir für den Anwendungsfall Klima-anlage verdrahtet. Das müsste ich ändern bzw. um einen 2ten Schalter & Relais erweitern damit man den Lüfter auch bei Klima aus aktivieren könnte.
in dem original-plan soll der Lüfter angehen sobald man den Temperaturschalter aktiviert (verdreht) und der Gebläse schalter aktiv ist: (Stromfluss rot bis Nr.9 Relais zieht (gleichzeitig greift die Magnetkpl -> Kompressor aktiv -> parallel dazu fließt Strom zum Lüfter (blau) da 9 schließt.
Tendiere aber immer noch dazu die Schaltung so zu belassen und auf visko umzurüsten.
Gruß Thomas.

- Schaltplan_Klima_Motor.jpg (50.12 KiB) 16196 mal betrachtet
Re: Hinweis Lüfterflügel
Verfasst: Di 19. Mär 2019, 21:58
von Tommy75

- Zusatzgeblaese.jpg (93.37 KiB) 16195 mal betrachtet

- Leitungen.jpg (69.39 KiB) 16195 mal betrachtet
Re: Hinweis Lüfterflügel
Verfasst: So 24. Mär 2019, 21:26
von Tommy75
Hallo, der elektro Zusatzlüfter arbeitet wieder - der Fehler war ein Massenproblem Karosserie -> Schraube an Relais. Gruß Thomas