Seite 1 von 1
Radlagerung Hinterachse
Verfasst: Mi 21. Mär 2018, 16:23
von TomHom
Hallo,
ich bin gerade bei der Überarbeitung der Hinterachse, Hinterachsträger und Schräglenker wurden gestrahlt und pulverbeschichtet, die Lager sind gereinigt und fühlen sich noch gut an.
Ich habe zwar noch einen neuen Satz, wollte aber jetzt die eingebauten Lager nur neu fetten und dann mit neuen Wellendichtringen versehen so belassen wie sie sind (obwohl der Hersteller einen Austausch alle 100.000km ? empfiehlt)

- Radlager Hinterachse.jpg (61.19 KiB) 23194 mal betrachtet
Nun stellt sich mir die Frage wie ich die Lager rausbekomme um von der hinteren Seite Fett reinzudrücken!
Zwischen den Lagern befindet sich ja die Abstandshülse, sie lässt nur ein punktuelles, auf den inneren Lagerring gerichtetes Zurücktreiben zu, dies würde das Lager beschädigen.
Gibt es da eine andere Möglichkeit zum Ausbau der Lager?

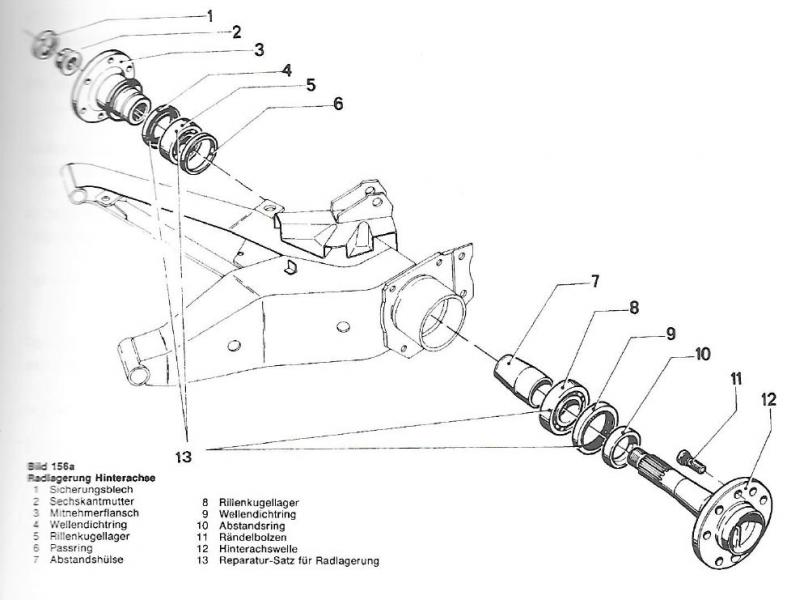
- aus "Reparaturanleitung BMW 2500/2800/3.0/3.3 Verlag Bucheli"
- Radlagerung Hinterachse 2.jpg (47.66 KiB) 23194 mal betrachtet
Bei mir ist übrigens nur die Abstandshülse ohne Passring eingebaut, das vorhandene Spiel entspricht ist aber entsprechend den Vorgaben.

- aus "Reparaturanleitung BMW 2500/2800/3.0/3.3 Verlag Bucheli"
- Radlagerung Hinterachse.jpg (207.6 KiB) 23194 mal betrachtet
Auf Eure Meinung bin ich gespannt,
Gruß
Thomas
Re: Radlagerung Hinterachse
Verfasst: Mi 21. Mär 2018, 17:24
von andilin
Das hättest du eigentlich vor dem Überholen machen sollen, da hättest du alles um das Lager schön stark erwärmen können und das Lager einfacher heraus bekommen. Da musst du mit einem Lagerausziehrer herausziehen. Allerdings besteht die Gefahr, dass das Lager dabei Schaden nimmt.
Ich würde immer eine neues einbauen, wenn du das alte schon raus hast.
Beim Einsetzen das Lager vorher ein paar Stunden in den Gefrierschrank legen und umittelbar vor dem Einsetzen herausnehmen und die Achse erwärmen. Dann flutscht es besser.
Gruß
Andi
Re: Radlagerung Hinterachse
Verfasst: Mi 21. Mär 2018, 19:54
von Gerhard
Hallo Thomas
Kein Distanzring???? Das kann ich nicht glauben. Ich hab schon viele HA-Lager gewechselt, und immer war irgend ein Ring verbaut. Sonst wäre das Maß nicht einzustellen, und zwar um mehrere Millimeter nicht......
Ich würde dir empfehlen die Lager auszupressen und neue einzumessen, ohne Presse gibt das eine Plage. Am Rand hast du ja eh schon ein paar kleine Lack-Beschädigungen am Dreieckslenker, da kommen dann so oder so noch ein paar dazu. Die alten Lager zu reinigen (den alten Dreck hast du ja dann vermutlich teilweise nach hinten unter die Hülse gespült) halte ich für nicht effektiv. Meist weiss man ja auch nicht, ob die 100.000 km schon durch sind.
Viel Erfolg
Gerhard
Radlagerung Hinterachse
Verfasst: Mi 21. Mär 2018, 21:53
von TomHom
Hallo Andi, hallo Gerhard,
vielen Dank für die prompten Antworten! Ist sicher ein Thema über das es sich lohnt ein paar Infos mit allen zu teilen.
Bzgl. des Distanzringes habe ich mir die bei BMW-Classic verfügbaren Maße mal angeschaut, sie entsprechen im Außen- und Innendurchmesser dem Außenring des kleinen Lagers (natürlich geringfügig kleiner, sollen ja nicht reingepresst werden).
Also kann ich sie im eingebauten Zustand auch gar nicht sehen, erst dann wenn sie mir beim Rauspressen der Lager entgegenkommen. Ist eigentlich aus der Zeichnung auch ersichtlich, er versteckt sich hinter der Hülse!
Der Ausbau der Lager ist m.E. so wie von Gerhard beschrieben über Auspressen am einfachsten, vom kleinen Lager über die Distanzhülse in Richtung großes Lages. Mittels Abzieher wüsste ich nicht wie das funktionieren sollte, die Distanzhülse ist mir ja im Wege, ich habe keinen Ansatzpunkt.
Beim Wiedereinbau ist sicher die von Andi beschriebene Methode (kaltes Lager zieht sich zusammen, erwärmte Achse dehnt sich aus) sinnvoll.
Natürlich habe ich nicht "den alten Dreck ... dann vermutlich teilweise nach hinten unter die Hülse gespült", mit Bremsenreiniger und viel Pressluft! Nein, alles schön mit Q-Tipps entfernt, gespült mit der Öffnung nach unten.
Ich denke ich werde dann mal zur Hydraulikpresse gehen und die Lager auspressen und die bereitliegenden einbauen. Diese hatte ich mir vor 20 Jahren für meinen E24 hingelegt, dieser hat jetzt weit über 200.000 runter und ruft immer noch nicht nach neuen Lagern. Wie sind Eure Erfahrungen mit den Standzeiten der Lager, sind die ab Werk empfohlenen Intervalle realistisch? Für mich sehen die seinerzeit verbauten (hinteren) Radlager wie für die Ewigkeit gemacht aus.
Gruß
Thomas
Radlagerung Hinterachse
Verfasst: Do 22. Mär 2018, 21:47
von TomHom
Hallo,
also das mit der Hydraulikpresse geht wohl nicht, die Lager lassen sich nur von Innen nach Außen austreiben. Die Hülse lässt nur wenig Platz zum Auflegen, der Einsatz meines 22er Steckschlüssels, der sich gerade mal so durch die Lager schieben lässt, gibt genug Auflagefläche um den Ring (der ja wiederverwendet werden soll) nicht zu beschädigen. Andis Rat zum Erwärmen der Achse habe ich befolgt und das Gehäuse im Bereich des Lagers erwärmt. Danach ließen sich die Lager ohne großen Kraftaufwand austreiben!
Die Bestimmung des Maßes für den Distanzring erinnerte mich an den Spruch meines Meßtechnikprofs: "Wer misst misst Mist!". Ohne digitalen Messschieber (für mich) kaum zu realisieren, aber nach etlichen Messungen passt der Wert.

- Ausgebaute Lager.jpg (33.36 KiB) 23102 mal betrachtet
Gruß
Thomas
Re: Radlagerung Hinterachse
Verfasst: Fr 23. Mär 2018, 06:46
von TomHom
...das Spiel ist wohl falsch berechnet, war gestern Abend doch wohl zu spät. Messe dann heute noch mal nach!
Gruß
Thomas
Re: Radlagerung Hinterachse
Verfasst: Mo 24. Jun 2019, 19:47
von andilin
Hallo,
habe zum Austreiben der Radlager hinten noch eine Frage.
Wird das innere kleine Lager (zum Diff hin) nach außen (Richtung Diff) oder nach innen (Richtung Bremsscheibe) ausgetrieben. Das ist außen alles so gammelig, dass ich es kaum erkennen kann.
Vielen Dank
Andi
Re: Radlagerung Hinterachse
Verfasst: Mo 24. Jun 2019, 20:50
von Gerhard
Hallo Andi
Deine Beschreibung mit innen und außen ist sehr verwirrend:-)
Beide Lager werden von innen nach außen ausgebaut. Das äußere Lager Richtung Bremsscheibe, das innere Richtung Differential
Gruß Gerhard
Re: Radlagerung Hinterachse
Verfasst: Di 25. Jun 2019, 06:42
von andilin
Hallo Gerhard,
ich wußte nicht, wie ich das anders beschreiben sollte, aber du hast mir genau die Antwort gegeben, die ich gesucht habe.
Jetzt muss ich nur noch sehen, wie ich die am besten raus bekomme.
Vielen Dank
Andi
Re: Radlagerung Hinterachse
Verfasst: Di 30. Jul 2019, 18:33
von andilin
Hallo,
welches Fett nehmt ihr für die Radlager und wo bekomme ich das? Oder ist es ganz normales Hochtemperatur Wälzlagerfett (siehe Foto)?
Vielen Dank
Andi
Re: Radlagerung Hinterachse
Verfasst: Do 1. Aug 2019, 16:22
von andilin
Hallo,
niemand seine Radlager mal gefettet?
Gruss Andi
Re: Radlagerung Hinterachse
Verfasst: Do 1. Aug 2019, 16:24
von Gerhard
Hallo
Doch, aber manchmal muss man halt auch erst in die Werkstatt fahren und Bilder machen.
Ich verwende dieses.
Gruß Gerhard
Re: Radlagerung Hinterachse
Verfasst: Do 1. Aug 2019, 17:01
von Gerhard
Hallo
Gerade zum hinteren Radlagerwechsel muss ich jetzt auch mal was schreiben. Irgend jemand hat geschrieben: Wer viel misst, misst viel Mist. Genau das ist mir auch ab und an passiert. Deshalb hab ich jetzt mal die Reparaturanleitung in die Ecke gepfeffert und hab folgende Vorgehensweise "entwickelt"
Nachdem ich die alten Simmerringe und Radlager von der gegenüberliegenden Seite rausgeschlagen habe, musste ich vor dem Entlacken und Entrosten im Tauchbad noch die beiden Lagergummis entfernen. DIe alten klebten dermaßen in der Buchse fest, so dass ich mit einem 5er Bohrer erst mal ein paar Entlastungsbohrungen in Längsrichtung durch den Gummi gebohrt habe. Danach waren sie mit einer Gewindestange, Mutter und ein paar passenden Nüssen und Hülsen easy zu entfernen. Nach dem Pulverbeschichten konnte ich die neuen Gummis, mit ein paar dickeren Unterlagen auf der Presse, ohne Beschädigung der Beschichtung wieder einpressen. (Mit Hülsen kommt es immer zu Beschädigungen....)
Das eigentliche Einmessen der Abstandhülse ist nach Anleitung im Werkstatthandbuch echt ein Mist. Ich hab in den letzten Tagen mehrere Radlager gewechselt und hab mir deshalb folgendes überlegt: Zuerst hab ich das äußere Radlager mit Hilfe der Hydraulikpresse eingepresst. (Bild1) Dann hab ich den Dreickslenker mit dem großem Radlager nach unten in den Schraubstock eingespannt. Lappen zwischenlegen, dann bekommt die Beschichtung keinen Schaden. Nun legte ich die große Abstandshülse auf das Radlager, und einen beliebigen äußeren Abstandsring aus meinem Sortiment als ersten Versuch um die Hülse. (Bild 2) Ob die Höhe passt, hab ich dann mit einer sehr großen Unterlegscheibe erfühlt. Klemmt die Scheibe die Hülse fest, muss man einen dickeren Abstandsring benutzen. Lässt sich die Hülse sehr leicht bewegen, ist zu viel Spiel vorhanden. Der optimale Ring ist ermittelt, wenn sich die Hülse gerade so mit der Hand (Finger von unten in die Hülse stecken) noch bewegen lässt. Einmal darüber nachgedacht, und die ganze Messerei kann man getrost vergessen........ Dann alle Lager fetten, um die Hülse außen herum ebenfalls etwas Fett anbringen, und das kleine innere Lager einpressen. Dann noch beide Simmerringe einbauen und fertig.
Nicht vergessen, dass man das Bremsblech vor dem Einstecken der Radnabe an den Querlenker anschrauben muss. Sonst kann man gleich einen neuen Satz Lager bestellen, da die alten Lager entgegen einer älteren Beschreibung von mir, nicht ausgepresst werden können. Sie müssen herausgeschlagen werden und da das nur am inneren Ring passieren kann, sind sie danach defekt.
Viel Erfolg
Gerhard
Re: Radlagerung Hinterachse
Verfasst: Do 1. Aug 2019, 17:31
von andilin
Hallo Gerhard,
da ich ja demnächst die Lager auch wieder einbauen muss, kam diese super Beschreibung natürlich genau richtig. Nur leider hat nicht jeder so viele Abstandsringe zum Ausprobieren parat :-(.
Vielen Dank
Andi
Re: Radlagerung Hinterachse
Verfasst: Sa 3. Aug 2019, 12:58
von andilin
Hallo,
taugen die Radlager Sätze für hinten von W&N was? Wo habt ihr eure Sätze her?
Gruß
Andi
Re: Radlagerung Hinterachse
Verfasst: Sa 3. Aug 2019, 13:46
von Schumacher
Hallo Ich habe eine Verständnisfrage zum einmessen der Radlager
Wenn ich doch nur die Radlager wechsele, den Schräglenker die Abstandshülse und die Ausgleichscheibe wieder verwende dann muß ich doch nichts
messen dann ändert sich doch nichts. So habe ich das früher immer gemacht und es gab nie Probleme. Nur bei neuen Dreieckslenker muß vermessen
bzw. ausgeglichen werden. Gerne lasse mich eines besseren belehren
Viele Grüße
Friedrich Schumacher
Re: Radlagerung Hinterachse
Verfasst: Sa 3. Aug 2019, 23:15
von andilin
Hallo,
der Meinung bin ich eigentlich auch, sonst müssten die neuen Lager ja andere Abmessungen haben.
Deshalb auch meine Frage oben.
Gruß
Andi
Re: Radlagerung Hinterachse
Verfasst: Mo 5. Aug 2019, 19:22
von Gerhard
Hallo Ihr zwei
Theoretisch habt Ihr beide natürlich recht. Wie genau hat der Mensch, der das das erste mal eingemessen hat, tatsächlich gearbeitet? Ich würde mich ohne das zu überprüfen nicht darauf verlassen. Bei gebrauchten wiederverwendeten Ringen und Hülsen sollte das aber genau so sein wie Ihr vermutet. Warum trotzdem manchmal erst mit ein bis 2 Ringmaßen daneben das vorgeschriebene Spiel erreicht wird, kann ich mir auch nicht erklären. Ok, wir reden hier über Abstände zwischen den Passringen von 5 Hundertstel. @Andi: probier es doch einfach mal mit dem alten Ring und meiner Prüf/Messmethode und berichte uns. Bei einem zu dünnen Passring könnten die Lagerpakete im schlimmsten Fall nach innen, bzw. wieder nach außen wandern. Bei einem zu dicken Ring würden die Lagerkugeln zu starken Druck von der Seite bekommen, und würden relativ schnell kaputt gehen. Das Drehmoment der Radnabe wird übrigens mit 400 Nm angezogen! Da wirken ordentliche Kräfte! Deshalb ist ein korrektes Einmessen, und nicht nur ein so zusammenbauen wie es war, in meinen Augen sehr wichtig. Meine Prüfunterlegsscheibe ist übrigens eine gedrehte Ausführung. Ich weiß nicht, ob es diese Scheiben in dieser Größe eventuell auch noch in gestanzter Variante gibt, diese wäre dann messtechnisch nicht genau genug! Und auf der Rückseite, hat sie auch keinen Rost:-)
Gruß Gerhard
Re: Radlagerung Hinterachse
Verfasst: Sa 21. Dez 2019, 10:04
von andilin
Hallo,
hiermit möchte ich nochmal eine Rückmeldung zur Überprüfung des Radlagerspiels geben.
Ich habe die Prüfmethode von Gerhard angewendet.
Da ich keine so große Scheibe hatte, habe ich einfach das alte Radlager etwas abgeschliffen, so dass es leicht in die Lagerschale passt.
Ich habe neue gekapselte Radlager verwendet und die Prüfung mit meinen alten Passringen durchgeführt.
Also beim zerlegen der Radlager die Passringe der Achsen nicht vertauschen!! Sie waren bei mir nämlich unterschiedlich dick.
Das Radlagerspiel war bei meinem CS mit den alten Passringen und den neuen Radlagern genau richtig.
Ergebnis: Prüfmethode von Gerhard funktioniert einfach und zu 100%. Die alten Passringe können wiederverwendet werden, wenn das Radlagerspiel vorher auch schon ok war.
Viele Grüße
Andi
Re: Radlagerung Hinterachse
Verfasst: Fr 29. Nov 2024, 21:24
von Gerhard
Hallo
Ich bin gerade mal wieder dabei ein paar Dreieckslenker zu überholen. Bei den bisherigen die ich überholt habe, waren die Bremsbleche immer stark verrostet und ich konnte die Achsstummel immer direkt über das Bremsblech auspressen. Die verbogenen und verrosteten Bremsbleche hab ich danach immer entsorgt. Nun hab ich aber einen Querlenker bei dem das Bremsblech wie neu ausgesehen hat, und ich wollte es nicht beschädigen. Also hab ich es abgeschraubt, den Querlenker auf die Presse gelegt und überlegt wie man das beschädigungsfrei ausbauen könnte. Zufällig lagen vier 4 Kantteile (Vollmaterial) in der Werkstatt. Stabile 4 Kantrohre hätte ich wohl auch verwenden können:-) Nach diesem Kraftakt hab ich die unteren zwei Lager längs hingelegt, so dass das Bremsblech zwischen rein passte. Die nächste zwei Lager hab ich quer darüber gelegt und den Querlenker an der Bremszangenaufnahme auf diese Lager gelegt. Nun konnte ich den Achsstummel einwandfrei auspressen.
Anbei ein paar Bilder.
Viel Erfolg beim nachmachen
Gruß Gerhard
Re: Radlagerung Hinterachse
Verfasst: Sa 30. Nov 2024, 17:31
von Breiti
Immer warm machen (70 80 Grad) und dann kurz vorn pressen mit Kälte Spray das Lager abkühlen.
Ich habe so das gesamte Getriebe (4 Gang) neu gelagert. Ohne Presse.
Breiti